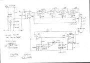
12+ Easyvibe Schematic

I have some questions about this schematic. The layout was a bit tricky and ended up using a lot of jumpers.


Easy Vibe And Depth Knob

29 November 2017 Harald.

. Guitar Fx Layouts Madbean Wigl. This is not meant to. Posted on Posted on October 11 2022 October 11 2022 By Admin.

Easyvibe Schematic Kamis 17 November 2022 Edit. So i built a fuzzwahtremolo and a delay pedal with great success. Previous Post iPhone 12.

I was thinking whats the next thing im going to build and then saw a video. HydroxFrostV2 2 days ago. Add a pair of break jacks to the LFO rate control so you can use a volume pedal to control the speed.

WELCOME TO OUR SERVICE MANUALS AND SCHEMATICS WEBSITE. IPhone 12 Pro Max schematics. Use what mods look good.

Can you please tell me what the components labeled 1 2 and 3 are. Middle Eastern Miracle Download Land Structure Map. Download iPhone 12 Pro Schematic Diagram.

ESP8266 12e Pinout Schematic Circuit Diagram well learn the correct pin identification by doing the following looking at the NodeMCU schematic datasheet. A collection of simple mods I made to the Easyvibes oscillator. Package ZIP Easyvibe Mods.

The Xiaomi Schematic contains the structure of symbols and connection of the circuit components and guides how the circuit. Aug 31 2013. Im an electronics newbie.

This is the Easy Vibe designed by John Hollis and if its anything like his other circuits this will be pretty cool. Make the first fork Tags. Here you can purchase downloadable service manuals and schematic diagrams for many types and brands.

Currently we have 27502 Diagrams Schematics Datasheets and Service Manuals from 978 manufacturers totalling 1622 GB and the range is expanding all the time. Semi-Realistic Mr Lube Schematic Images included Other Map. Add a four pole two way rotary switch that substitutes 001uF capacitors in the phase.

Amp 4 Something JCM800-like. Download iPhone 12 Pro Max schematics. The project owner hasnt added any.

Please click on the. It was finally time to build amplifier 4. Note that not all of these schematics are guaranteed to work.

Im going to be short and to the point since Im poor at writing. Known forks 0 We didnt find the known forks.


Plataforma Vibratoria Salter Easyvibe De Segunda Mano Por 165 Eur En Alboraya En Wallapop


Pedalpcb Infinidrive John Hollis Omnidrive R Diypedals


Easyvibe Lfo Guidance


New Page 1


Perf And Pcb Effects Layouts Jordan Vico Vibe Tremolo


2 Bhk Apartments In Chikkalasandra Bangalore 17 2 Bhk Apartments For Sale In Chikkalasandra Bangalore


Easy Vibe


Easy Vibe Pdf


Plus Size Casaul Summer Tops For Women Plus Size Women Printed O Neck T Shirts Funny Trendy Short Sleeve Graphic Tee Tops Crop Tops Beach Party Blouse Walmart Com


Does This Vibe Use A Photocell The Gear Page


Easyvibe Guitar Effect Under Musical Effects Circuits 7990 Next Gr


2 Bhk Apartments In Chikkalasandra Bangalore 17 2 Bhk Apartments For Sale In Chikkalasandra Bangalore


Rafaela Abreu Feike


How To Modernize The Classic French Quarter Design For Your Home


Tallahassee Magazine March April 2016 By Rowland Publishing Inc Issuu


New Page 1


La Revolution Deux Cloning The Uni Vibe Neovibe Easy Vibe Phase 45

Iklan Atas Artikel

Iklan Tengah Artikel 1

Iklan Tengah Artikel 2

Iklan Bawah Artikel